产品搜寻
类型:TFT显示模组
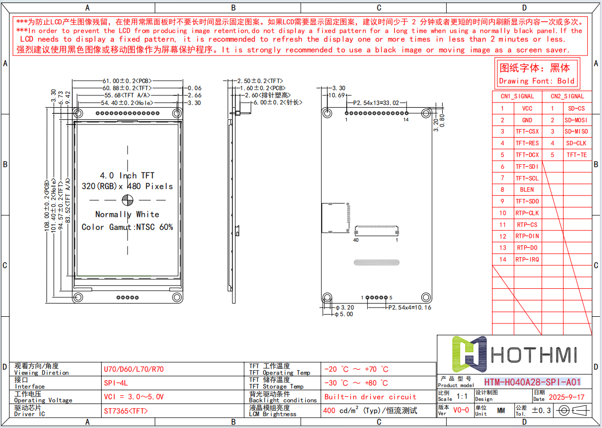
显示像素:320x480
外形尺寸(mm) :61.0x108.0x2.5
VA尺寸(mm):4.0
AA尺寸(mm) :4.0
有效尺寸mm:55.68x83.52
应用:手持设备、迷你家用电器
视角:IPS全视角
背光/亮度:400cd/m2
接口方式:SPI
特殊说明:防静电ESD 8KV
工作温度:-20~70℃
供电电压:+3.3 V
驱动芯片:ST7365
这款 4.0 英寸 IPS SPI TFT LCD 模块是一款高性能显示解决方案,专为各种嵌入式系统而设计。凭借 320x480 像素的清晰分辨率,凭借先进的 IPS 技术,它从各个角度都能呈现鲜艳的色彩和卓越的清晰度。紧凑的物理尺寸(61.0x108.0x2.5 毫米)拥有 55.68x83.52 毫米的有效可视区域,充分利用了 4.0 英寸的屏幕。
这款多功能 SPI TFT LCD 模块采用强大的 ST7365 控制器驱动,非常适合基于 C8051、Arduino 和 STM32 等热门平台的开发。其 400 cd/m2 的高亮度即使在阳光直射下也能确保出色的可读性。这款 SPI TFT LCD 模块专为严苛环境而设计,具有强大的耐用性,配备 8KV ESD 保护,工作温度范围为 -30°C 至 80°C。它采用 3.3V 电源供电,简化了电源设计,SPI 接口则大幅减少了所需的 GPIO 引脚数量。对于需要可靠、生动显示的项目,这款 SPI TFT LCD 模块在性能和易集成性之间实现了理想的平衡。
